Mechanical
- Materials – Stainless steel pump, impeller, transducer and check valve
- Powder coated aluminum motor, TEFC, IP 56.
- Powder coated aluminum VFD, IP66 wash-down duty
- Stainless steel 0-100 PSI inlet and outlet pressure gauges.
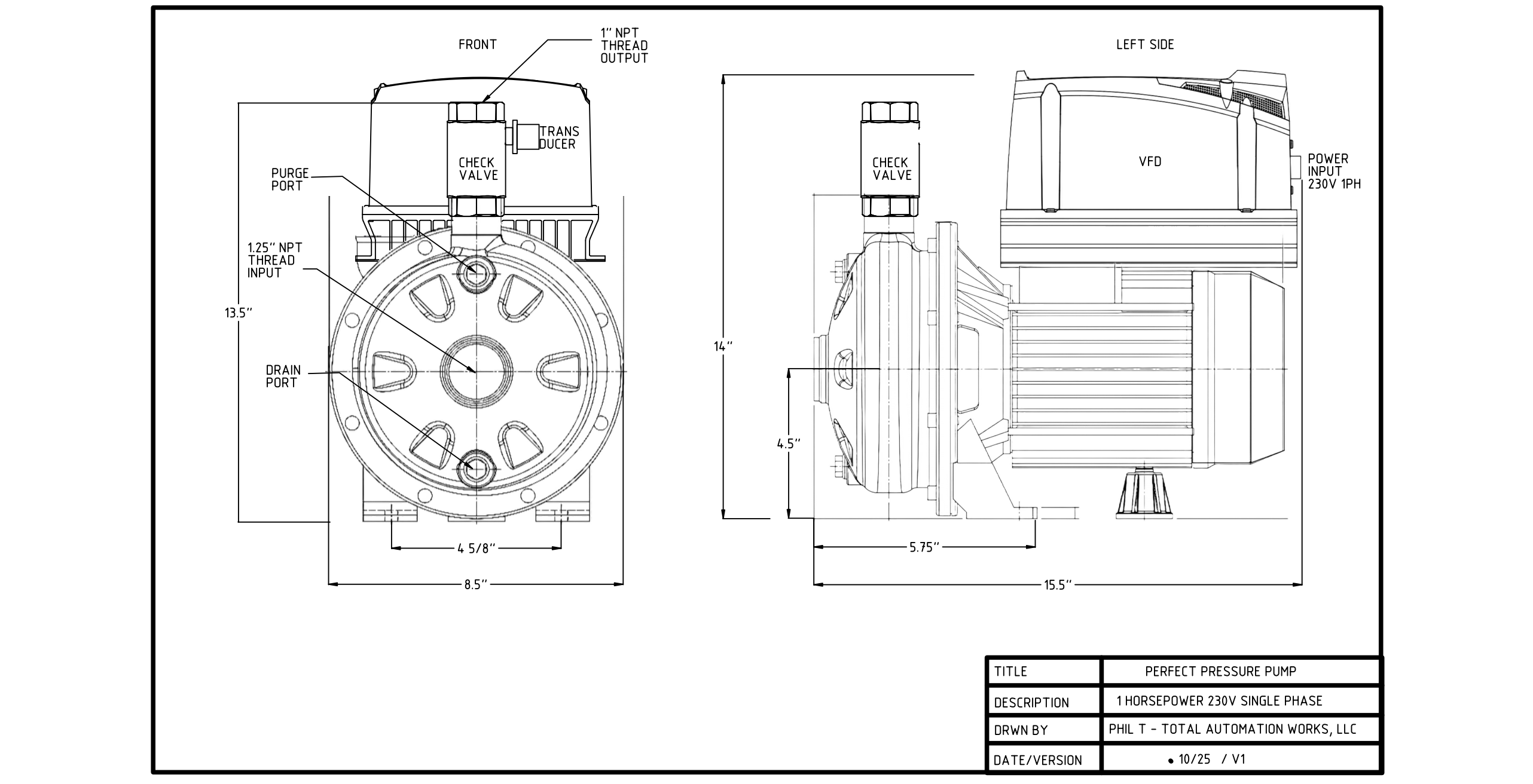
- Dimensions – 14″ high by 16″ long by 10″ wide. Foot mounted.
- Weight – 33 lbs (52 lbs shipping weight)
- Sound level – 74 db at 1 meter.
Electrical
- 220VAC, single phase, 60 Hz, 7 amps max. 2HP VFD and 1.5HP pump.
- Transducer, 0-100 PSI, 4-20 ma output.
- The picture on the right shows line 1 (black), line 2 (red) and ground connections.
Hydraulic (Water)
- Pressure range – 0-75 PSI max. (40 PSI boost) – adjustable.
- Water volume – 22 or 31 GPM max at 75 PSI.
- Water temperature – 33 degrees to 180 degrees Fahrenheit.
- Perfect Pressure Pump contains no lead and is designed for drinking water.
- The first picture shows a typical plumbing installation one line diagram.
-
The second picture shows the performance (middle line).



